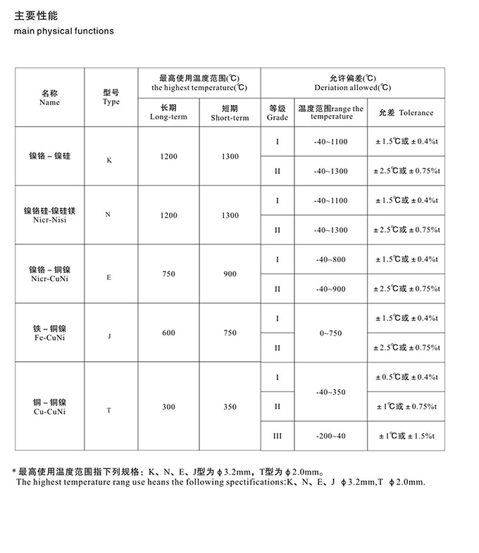
熱電偶用合金絲
熱電偶用合金絲有以下型號:
·鎳鉻-鎳硅( K 型)
·鎳鉻-銅鎳(康銅)( E 型)
·鐵-銅鎳(康銅)(J型)
·銅-銅鎳(康銅)( T 型)
·鎳鉻硅-鎳硅鎂( N 型)
性
- 電 話:0550-7623999 7623888
- 傳 真:0550-7623199轉0
- 郵 箱:xinguo@xinguo.net
產品描述
熱電偶合金絲:
性能特點:
廉金屬熱電偶合金具有熱電勢高、溫度與熱電勢關系呈線性、熱電勢長期穩定性好等特點,符合國 際電工委員會( IEC )的相應標準。
主要用途:
熱電偶合金絲廣泛應用于國防、科研、冶金、化工、電力、儀器儀表等部門作測溫元件。
熱電偶用合金絲有以下型號:
·鎳鉻-鎳硅( K 型)
·鎳鉻-銅鎳(康銅)( E 型)
·鐵-銅鎳(康銅)(J型)
·銅-銅鎳(康銅)( T 型)
·鎳鉻硅-鎳硅鎂( N 型)


瀏覽:
上一篇:無
下一篇:熱電偶用補償導線合金絲





