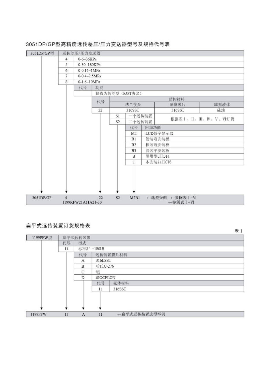
3051DP型高精度遠傳差壓變送器
3051DP/ GP 型高精度遠傳差壓/壓力變器,為避免被測介質直接與變送器的隔離膜片接觸提供了一種可靠的測量方法。
帶遠傳裝置的變送器適用于下列工況:
1、需要將高溫介質與變送器給離。
2、
- 電 話:0550-7623999 7623888
- 傳 真:0550-7623199轉0
- 郵 箱:xinguo@xinguo.net
產品描述
型高精度遠傳差壓/壓力變器
3051DP/ GP 型高精度遠傳差壓/壓力變器,為避免被測介質直接與變送器的隔離膜片接觸提供了一種可靠的測量方法。
帶遠傳裝置的變送器適用于下列工況:
1、需要將高溫介質與變送器隔離。
2、測量介質對變送器敏 感原件有腐蝕作用。
3、懸浮液體或高粘度介質。
4、被測介質由于環境或流程溫度變化而固化或結晶。
5、更換被測介質需要嚴格凈化測量頭。
6、測量頭必須保持清潔衛生。
7、密封壓力容器測量。
3051DP/ GP 型高精度遠傳差壓/壓力變送器,仍具13051DP/ GP 差壓/壓力變送器的各種特點。提供多種結構材料,遠傳裝置組件焊接結構,可靠性強。充液腔低容積設計、減少溫度影響,根據用戶要求內充DC200系列硅油使用溫度﹣40~+149℃,高溫硅油使用溫度﹣15~+315℃。
遠傳裝置工作壓力上限是用戶選擇遠傳裝置的額定值,工作壓力不低于3.5KPa(絕 對 壓 力)。對腐蝕介質的選擇隔離膜片材料參見附表,僅作用戶選用時參考。






瀏覽:





